Rådgivare
Texten nedan är maskinöversatt från tysk originaltext.
Värt att veta om IC-sockel och IC-socklar
Integrerade kretsar, kort IC (Integrated Circuit), är allestädes närvarande inom industri och hantverk. De ser till att komplexa maskiner som CNC-fräsning eller svetsrobotar fungerar. Detaljerad information om hur IC:er och IC-socklar fungerar håller denna guide till dig.
Was man säger med en IC?
IC-hållare
Was tänk på att köpa IC-versioner? ICH har inte alltid något att göra med detta.
Vårt praktiska tips: Använd högklassiga IC-hållare
IC och IC-versioner – vanliga frågor
Was man säger med en IC?

Till skillnad från en diskret konstruktion, där alla komponenter kanske till och med är kopplade till kablar, är en IC en komplett elektronisk krets som är inrymt på en enda liten plättar av halvledarmaterial. Användningsområdena för IC:er är många. De används till exempel som digitalt minne på RAM eller EEPROM. Som mikrokontroller tar de över styrningsfunktioner till kringutrustning till datorn, smartphones och TV-apparater eller omvandlar analoga signaler till digitala ljud och tvärtom. Individuella krav från företag kan styras med så kallade ASIC:er (Application Specific Integrated Circuit), som tillverkas av diverse tillverkare efter önskemål från kunder.
Den stora fördelen med IC-byggnadssten är att inte ens mycket komplexa kretsar, som omfattar flera miljarder elektroniska komponenter, behöver byggas om och om igen. Komplexiteten eller komponentdensiteten hos en integrerad koppling bestäms av det absoluta antalet fastmonterade transistorer. Denna så kallade grad av integration är resultatet av antalet transistorer per ytenhet samt ytan av IC. SSI (Small Scale integration) innehåller upp till 100 funktioner, medan den för nivå MSI (medium Scale integration) redan har upp till 1.000 funktioner. Därefter följer LSI (Large Scale integration) och VLSI (very Large Scale integration) med upp till 100.000 respektive mer än 100.000 funktionselement. Ytterligare integreringsnivåer är ULSI (Ultrarge Scale integration), SLSI (Super Laqrge Scale integration), ELSI (extra Large Scale integration) med ökande antal funktioner. Den högsta komplexhetsgraden definieras för närvarande AV GLSI (Giant Large Scale integration): Här används mer än 100.000.000 funktioner i en integrerad koppling.
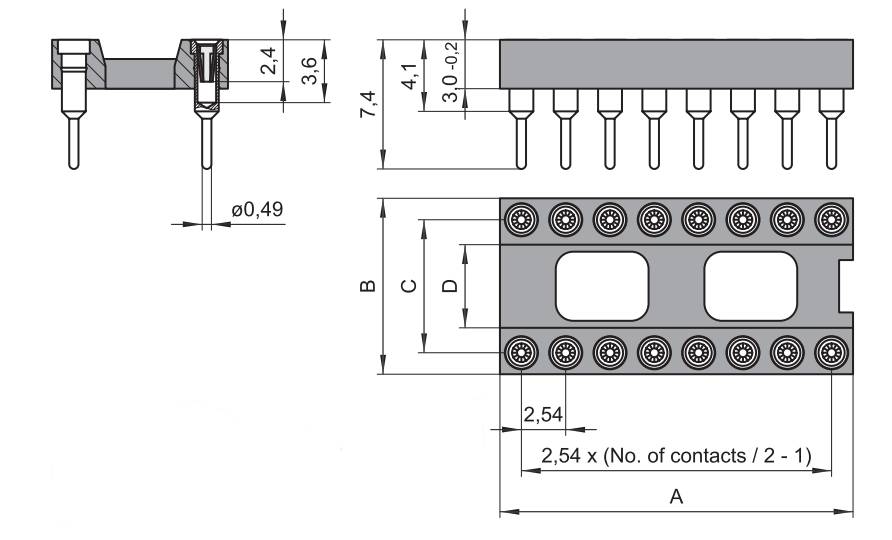
IC-hållare

Integrerade kretsar är prisvärda och tar dessutom lite plats på kretskortet. Det är dock ett hinder att defekta IC-kretsar är svåra att upptäcka och att utbyggnad endast är möjlig med speciella verktyg. För att komma tillrätta med detta problem kan det vara lämpligt att inte löda in stiften för en IC direkt med kretskortet, utan istället använda en sockel. Det är naturligtvis inte nödvändigt att förse varje IC med en version. För integrerade kretsar som utsätts för särskilda belastningar eller som kanske oftare ska bytas genom en uppdaterad modell är det däremot helt meningsfullt att använda en sockel. Speciellt i professionella miljöer, där en maskin kan stå stilla med mycket pengar, är det en fördel om en IC snabbt och utan tidsödande lödarbeten kan bytas ut.
Vilken sockel som behövs för en IC, beror på stiftraster. Sockel med precisionskontakter och med fjäderkontakter. Som namnet antyder, kläms IC-fjäderkontakten enkelt fast i fjädermekanism vid en fattning. För en sockel med precisionskontakter består anslutningslisten däremot av enskilda kelformade hylsor. De ger stiftlisten hos en IC bästa kontaktsäkerhet och har lägre övergångsmotstånd. Särskilt högkvalitativa modeller har kontaktytor med guld som garanterar optimal signalöverföring.

En speciell egenskap är den så kallade nollkraftssockeln: Det är en sockel där ingen tryck- eller dragkraft behövs för att sätta i eller ta bort en IC. En sådan sockel hittar man särskilt ofta hos datorprocessorer. Vid normala IC-hållare kläms varje stift fast genom fjädrande kontakter. En viss kraft krävs både när du sätter i och tar bort ett IC-byggnadssten. En dator-CPU med dess många kontaktstift är extremt känslig och risken är hög för att böja ett stift om det vid installationen verkar för höga krafter. Därför använder man en nollkraftsbas: Här öppnas kontakterna i sockeln mekaniskt, ofta genom en liten spak på sidan. Stift på processorn glider lätt och utan ansträngning in i uttagen. Om processorn har använts korrekt stängs kontakterna genom att du flyttar spaken. Den elektriska kontakten tillverkas och processorn fixeras dessutom.
Was tänk på när jag köper IC-texter? ICH är en av de saker jag måste tänka på.
Viktigt vid köpet är naturligtvis att IC:s raster passar till hållaren. Om du redan i förväg vet att en IC ska bytas oftare, får du tag i en sockel med precisionskontakter. Motsvarande sockel är robustare än sådana med fjäderkontakter. Vid användning av särskilt högkvalitativa IC-kretsar, som till exempel en digital-analog-omvandlare som används inom ljud eller studioteknik, bör du använda socklar vars kontakter är försedda med ett lager av guld. Eftersom guld är en mycket bra elektrisk ledare, kan ädelmetaller användas på kontaktuttagen, den bästa signalöverföringen. Dessutom har guld den stora fördelen att det inte oxiderar.
Vårt praktiska tips: Använd högklassiga IC-hållare
För professionell användning är det lämpligt att använda högklassiga märken. De ger i regel den bästa kontakten och fungerar även tillförlitligt efter att ha flera kontakter och tagit bort en IC.
IC och IC-versioner – vanliga frågor
Was the rastret av en IC?
Rutnätet, eller även rastermått, anger på en IC mitten-mitten-avståndet på de enskilda stiften.