Direktlänk
  • Conrad
  • Mitt konto

    Logga in, registrera dig

  • Varukorgen

  • Aktuella kampanjer » Aktuella kampanjer »
  • Om Conrad
    Conrad - Your Sourcing Platform
    Kampanjer
    Nya produkter
    Nyheter & inspiration

    Egna varumärken

    Toolcraft
    Voltcraft
    Tru components
    Renkforce
    Speaka professional
    Sygonix
  • Tjänster

    Utvalda tjänster

    Orderstatus
    PCB-tjänst
    Nyhetsbrev
    Garanti
    Rabatt för skolor
    Kundservice
  • Inköp

    Allt för dina inköp

    eProcurement
    Offertförfrågan
    Schemalagda beställningar
    Direktbeställning
    Product on request-service
  • Våra produkter
  • Mitt konto
  • Inköpslista
  • Logga ut
Conrad
Start
Elektromekanik Reläer Övervakningsrelä Skymningsbrytare bärskena

Finder 11.42.8.230.0000 Skymningsrelä 1 st Driftspänning:230 V/AC Känslighet ljus: 1, 20 - 80, 1000 lx, lx 1 switch, 1 N

EAN:
Fabrikatsnr.
Artikelnr.:
Finder 11.42.8.230.0000 tidrelä med blå och vita inställningsknappar, spännings- och effektuppgifter. Tillverkad i EU.
Finder 11.42.8.230.0000 tidrelä med blå och vita inställningsknappar, spännings- och effektuppgifter. Tillverkad i EU.
Teckning av en elektrisk apparat med dimensioner: bredd 35 mm, höjd 88,8 mm. Produkten visar varumärkes- och CE-märke. Front- och sidovy.
Teknisk ritning av en metallbeslag med mått: Längd 53, höjd 35,2, bredd 27, monteringshål och monteringsvinkel är angivna.
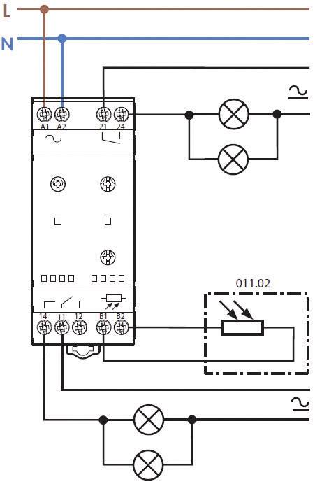
Kopplingsschema för ett relä med beteckning '011.02', visar ingångs- och utgångsanslutningar samt två sammankopplade glödlampor och en strömbrytare.
1/4
Typ av produkt
Skymningsrelä
Driftspänning
230 V/AC
Kontakttyp
1 switch
1 NO
Växelspänning (max.)
400 V/AC
Växelström (max)
12 A
Datablad (PDF)
Finder
Leveransfre. 10 apr.

3 Styck
Mer information om lagerstatus.

Antal (Styck)
Du sparar
förpackningspris (exkl. moms)
1
-
1 512,00 kr
3
2% = 36,90 kr
1 475,10 kr
5
3% = 51,56 kr
1 460,44 kr
10
4% = 61,38 kr
1 450,62 kr
Mängdrabatter varierar beroende på säljaren
Du sparar 0,00 kr

Antal

Toal (1 512,00 kr / stycken)
1 512,00 kr
exkl. moms 
Fri frakt
Endast 3 stycken kvar på lager
Rapportera juridiska problem
  • Över 750 000 produkter

  • Fri frakt över 999 kr

  • Offertförfrågan

  • Partneravtal

  • Teknik sedan 1923

  • Kundservice

  • Vanliga frågor (FAQ)

  • Kontakta oss

  • Köpvillkor

  • Frakt & leverans

  • Retur

  • Om Conrad

     

    • Om oss - Conrad Your Sourcing Platform

    • Nyheter och inspiration

    • Miljömedvetenhet

    • ISO-certificiering

    • Vulnerability Disclosure Program

    • REACH-information

    • Mässor och event

    • Information om tillgänglighet

    • Conrad tjänster

    • Offertförfrågan

    • eProcurement - inköpslösningar

    • Personliga produkter

    • Kalibrerat sortiment

    • Snabblänkar

    • Märken A-Z

    • Kategorier A-Ö

    • Aktuella erbjudanden 🛒

    • Download Center

    Nyhetsbrev

    Anmäl dig till vårt nyhetsbrev och få 10% i rabatt!*

    Anmäl dig till vårt nyhetsbrev och få 10% i rabatt!*

    Ange en giltig e-postadress!

    Kontorsprodukter
    * Rabatten gäller endast utvalda kontorsprodukter. Rabbatten är giltig till och med den 05.04.2026 på conrad.se. Kan inte kombineras med andra rabattkoder. 1 gång per företagskund/privatperson. I enskilda fall kan försäljningsmängden begränsas

    Betalningsmetoder
    • Creditcard
    • Klarna
    Sociala medier

    B2B-shop: Visning av priser exkl. moms och frakt.

    Alla priser är inkl. moms och frakt.

    • Skydd av personuppgifter

    • Säkra betalningsmetoder

    • SSL-kryptering

    • Säker kod för Verified Visa & Mastercard

    • Köpvillkor

    • Impressum

    •  

      Privacy policy

       

    • Trygg e-handel
    • Trygg e-handel
    Produktjämförelse
    Inköpslista